首页
关于美渥
公司简介
资质认证
产品体系
产品构造
产品特点
产品优势
版型产品系列
两企口复合板
四企口复合板
四企口对接缝图示
全封幕墙复合板
帷幕式复合板
装配式铝板幕墙板
转角板
收边系统
标准铝合金配件
彩板系列
金属装饰板
装饰板规格参数
装饰板构造
规格参数
跨度选用表
单位重量及保温性能表
选择与建议
工程案例
工程案例
应用领域
企业动态
企业新闻
员工活动
产线照片
联系我们
跨度选用表
产品体系
跨度选用表
单位重量及保温性能表
选择与建议
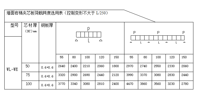
墙面岩棉夹芯板荷载跨度选用表
屋面岩棉夹芯板荷载跨度选用表
«
1
»